Wanted  International  Stockist / Distributors
9mm Pot w/Switch 7

Alpha Products Inc - 351 Irving Drive, Oxnard, CA 93030, USA - Tel: 805-981-8666 - Fax: 805-988-6555 - Contact Us

Corporate Website

Send Your Specs

Contact Us

Std. Tapers

Request for Quote

Part Number

Model number

Shaft code

Style

Dim “H”

Taper

Value in Ohms

3RP/091BS

A

Select Part Numbers from the table then click on the “Request a Quote” Button to send your requirements for Price and Delivery. If you need custom product please use the “Send your Specs” Button

Electrical Characterisics

Mechanical Characteristics

Resistance Values

10 KOhm ~ 500 kOhm +/- 20%

Total Rotational Angle

300 deg +/- 10 deg

Resistance Taper

A, B, C

Rotational Torque

10 ~ 200 gf/cm

Residual Resistance

0.1% max of total resistance

Rotational Stop Strength

outer shaft = 4 kgf/cm
inner shaft = 3 kgf/cm

Rated Power

taper A, C = 0.025W
taper B = 0.05W

Push / Pull Strength

4 kgf/cm / 3 kgf/cm

Operating Voltage

taper A, C = 25V AC max
taper B = 50V AC max

LIfe

10,000 cycles

Slide Noise

100mV max

Insulation Resistance

100MOhm min @250V DC

Gang Error

3dB max

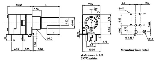
Dimension “H”

CODE

1

2

3

4

DIM “H”

3.50

2.65

1.95

1.15

Type of Shaft

CODE

A

B

C

V

DIM “L”

15.0

20.0

25.0

12.0

DIM “F”

7.0

12.0

12.0

5.3

Disclaimer: Alpha Products, Inc. makes no warranties, expressed or implied, including warranties of merchant ability or fitness /suitability for a particular purpose or application. Under no circumstances shall Alpha Products, Inc. be liable for incidental, consequential, or other damages from alleged negligence, breach of warranty, strict liability, tort, contract, or any other theory, arising out of the use, non use, or handling of these products.
Alpha Products Inc. reserves the right to discontinue, modify, amend and / or change any product, specification or service at any time without any obligation of providing any notice.

Site Created by: Tarola International / USA  Hosted by Tarola.Net - Copyright 2006-2014.
Copying or
Duplicating of any part of this website in any form without written permission form Alpha Products Inc. is strictly forbidden