Wanted  International  Stockist / Distributors
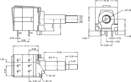
10mm Rot Encoder

Alpha Products Inc - 351 Irving Drive, Oxnard, CA 93030, USA - Tel: 805-981-8666 - Fax: 805-988-6555 - Contact Us

Corporate Website

Send Your Specs

Contact Us

Std. Tapers

Request for Quote

Part Number

Model number

Clicks & Pin output code combination

3EN/102AE-AA2

Select Part Numbers from the table then click on the “Request a Quote” Button to send your requirements for Price and Delivery. If you need custom product please use the “Send your Specs” Button

Electrical Characterisics

Mechanical Characteristics

Contact Rating

0.15A @ 30V DC

Total Rotational Angle

67.5, 337.5, 360 deg

Contact Resistance

100mOhm

Shaft Rot. Stopper Strength

3.6 kgf/cm

Voltage Breakdown

100V AC between any contact and frame

Click Position

4, 16

Click Torque

144 ~ 360 gf/cm

Life

10,000 cycles

Clicks & Pin Output Code Combinations

Code

# of clicks / Rotational angle

Pin output code

04C20

4 / 67.50

Contacts

Clicks

1

2

3

4

R1

1-2

0

1

0

1

2-3

0

0

0

0

R2

1”-2”

0

0

0

0

2”-3”

0

0

1

1

04C34

4 / 67.50

Contacts

Clicks

1

2

3

4

R1

1-2

0

1

1

0

2-3

0

0

0

0

R2

1”-2”

0

0

0

0

2”-3”

0

0

1

1

16C19

16 / 3600

Contacts

Clicks

1

2

3

4

5

6

7

8

9

10

11

12

13

14

15

16

R1

1-2

0

1

0

1

0

1

0

1

0

1

0

1

0

1

0

1

2-3

0

0

0

0

1

1

1

1

0

0

0

0

1

1

1

1

R2

1”-2”

0

0

0

0

0

0

0

0

1

1

1

1

1

1

1

1

2”-3”

0

0

1

1

0

0

1

1

0

0

1

1

0

0

1

1

16C21

16 / 337.50

Contacts

Clicks

1

2

3

4

5

6

7

8

9

10

11

12

13

14

15

16

R1

1-2

0

1

0

1

0

1

0

1

0

1

0

1

0

1

0

1

2-3

0

0

0

0

1

1

1

1

0

0

0

0

1

1

1

1

R2

1”-2”

0

0

0

0

0

0

0

0

1

1

1

1

1

1

1

1

2”-3”

0

0

1

1

0

0

1

1

0

0

1

1

0

0

1

1

16C25

16 / 337.50

Contacts

Clicks

1

2

3

4

5

6

7

8

9

10

11

12

13

14

15

16

R1

1-2

0

1

1

0

0

1

1

0

0

1

1

0

0

1

1

0

2-3

0

0

0

0

1

1

1

1

1

1

1

1

0

0

0

0

R2

1”-2”

0

0

0

0

0

0

0

0

1

1

1

1

1

1

1

1

2”-3”

0

0

1

1

1

1

0

0

0

0

1

1

1

1

0

0

16C26

16 / 3600

Contacts

Clicks

1

2

3

4

5

6

7

8

9

10

11

12

13

14

15

16

R1

1-2

0

1

1

0

0

1

1

0

0

1

1

0

0

1

1

0

2-3

0

0

0

0

1

1

1

1

1

1

1

1

0

0

0

0

R2

1”-2”

0

0

0

0

0

0

0

0

1

1

1

1

1

1

1

1

2”-3”

0

0

1

1

1

1

0

0

0

0

1

1

1

1

0

0

Disclaimer: Alpha Products, Inc. makes no warranties, expressed or implied, including warranties of merchant ability or fitness /suitability for a particular purpose or application. Under no circumstances shall Alpha Products, Inc. be liable for incidental, consequential, or other damages from alleged negligence, breach of warranty, strict liability, tort, contract, or any other theory, arising out of the use, non use, or handling of these products.
Alpha Products Inc. reserves the right to discontinue, modify, amend and / or change any product, specification or service at any time without any obligation of providing any notice.

Site Created by: Tarola International / USA  Hosted by Tarola.Net - Copyright 2006-2014.
Copying or
Duplicating of any part of this website in any form without written permission form Alpha Products Inc. is strictly forbidden